Javascript seems to be disabled in your browser.You must have JavaScript enabled in your browser to utilize the functionality of this website.
Welcome Guest
Zoom
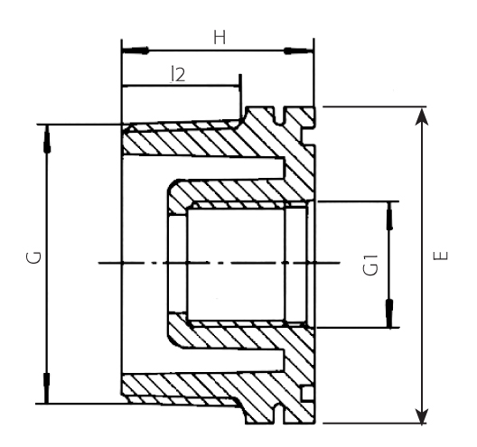
H (mm) 30Unit Per Carton 2000Weight (g) 6