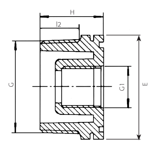
REDUCING BUSHING THREADED PP 1.1/2"-1/2"

Product Code: 5020007

To top