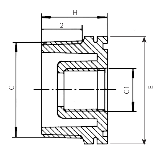
REDUCING BUSHING THREADED PP 1.1/2"-3/4"

Product Code: 5020008

To top