Javascript seems to be disabled in your browser.You must have JavaScript enabled in your browser to utilize the functionality of this website.
Welcome Guest
Zoom
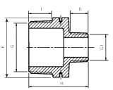
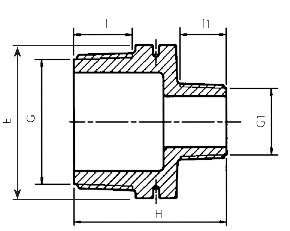
H (mm) 47Unit Per Carton 1500Weight (g) 10