Javascript seems to be disabled in your browser.You must have JavaScript enabled in your browser to utilize the functionality of this website.
Welcome Guest
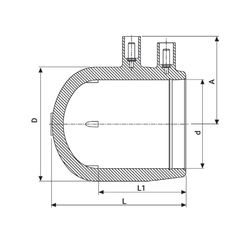
Zoom
A (mm) 62d (mm) 63D (mm) 81L1 (mm) 62SDR Range SDR 7 to SDR 11Unit Per Carton 96Weight (g) 181