Javascript seems to be disabled in your browser.You must have JavaScript enabled in your browser to utilize the functionality of this website.
Welcome Guest
Zoom
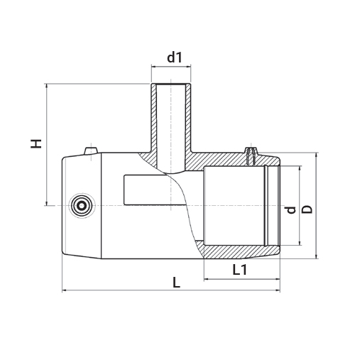
A (mm) 47d (mm) 40d1 (mm) 25D (mm) 56H (mm) 72L1 (mm) 43SDR Range SDR 7 to SDR 17Unit Per Carton 96Weight (g) 150