Javascript seems to be disabled in your browser.You must have JavaScript enabled in your browser to utilize the functionality of this website.
Welcome Guest
Zoom
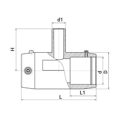
A (mm) 52d (mm) 50d1 (mm) 40D (mm) 68H (mm) 90L1 (mm) 48SDR Range SDR 7 to SDR 17Unit Per Carton 64Weight (g) 237