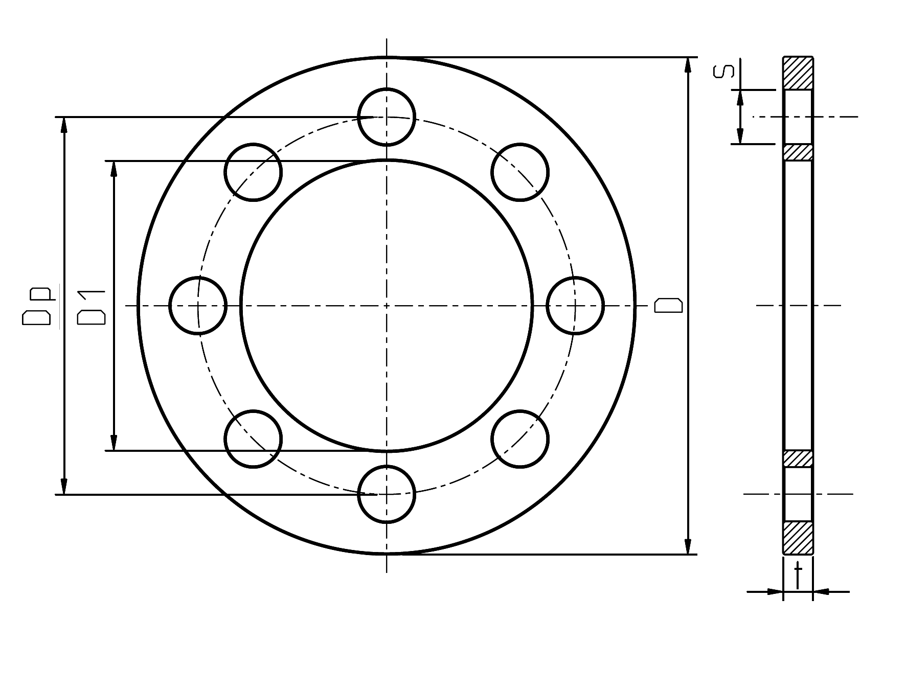
HALF METAL FLANGE 125/160-150

Product Code: 7006010

To top