Javascript seems to be disabled in your browser.You must have JavaScript enabled in your browser to utilize the functionality of this website.
Welcome Guest
Zoom
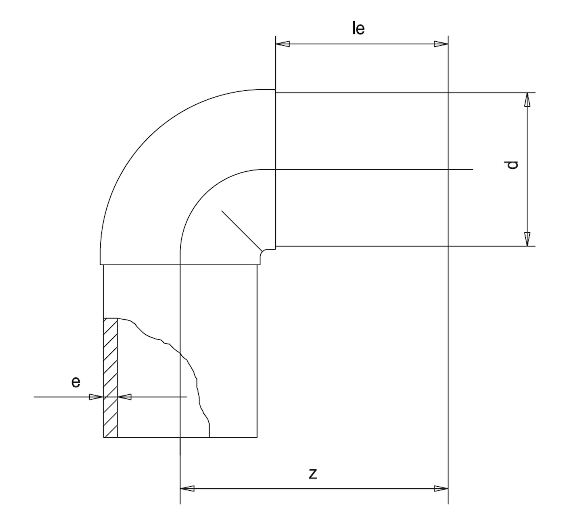
SDR 11 d (mm) 160 e (mm) 14,6 le1 (mm) 142 z1 (mm) 233 PN 16 Angle 90 Weight (kg) 3,364