Javascript seems to be disabled in your browser.You must have JavaScript enabled in your browser to utilize the functionality of this website.
Welcome Guest
Zoom
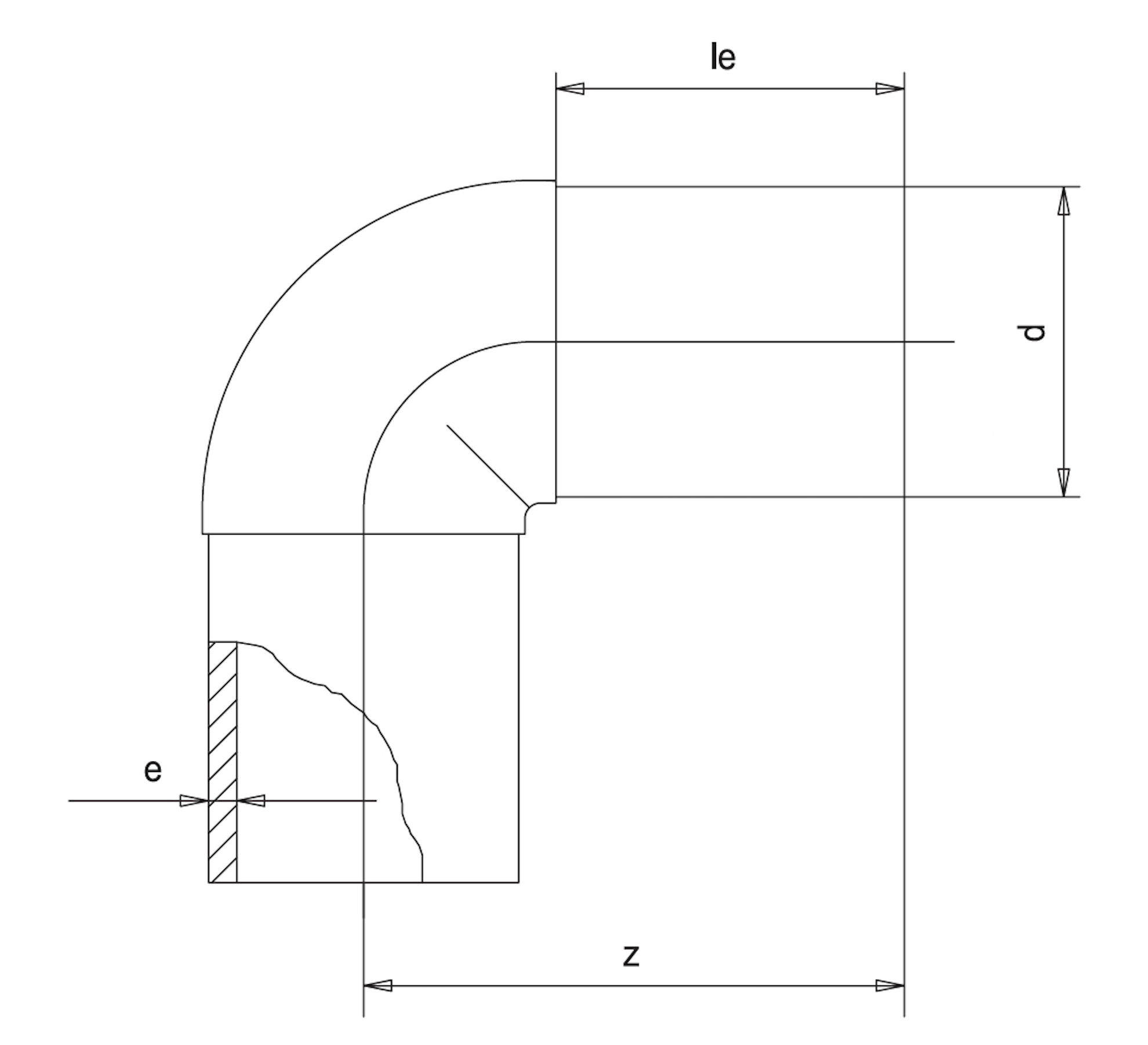
SDR 11 d (mm) 225 e (mm) 20,5 le1 (mm) 154 z1 (mm) 281 PN 16 Angle 90 Weight (kg) 8,03