Javascript seems to be disabled in your browser.You must have JavaScript enabled in your browser to utilize the functionality of this website.
Welcome Guest
Zoom
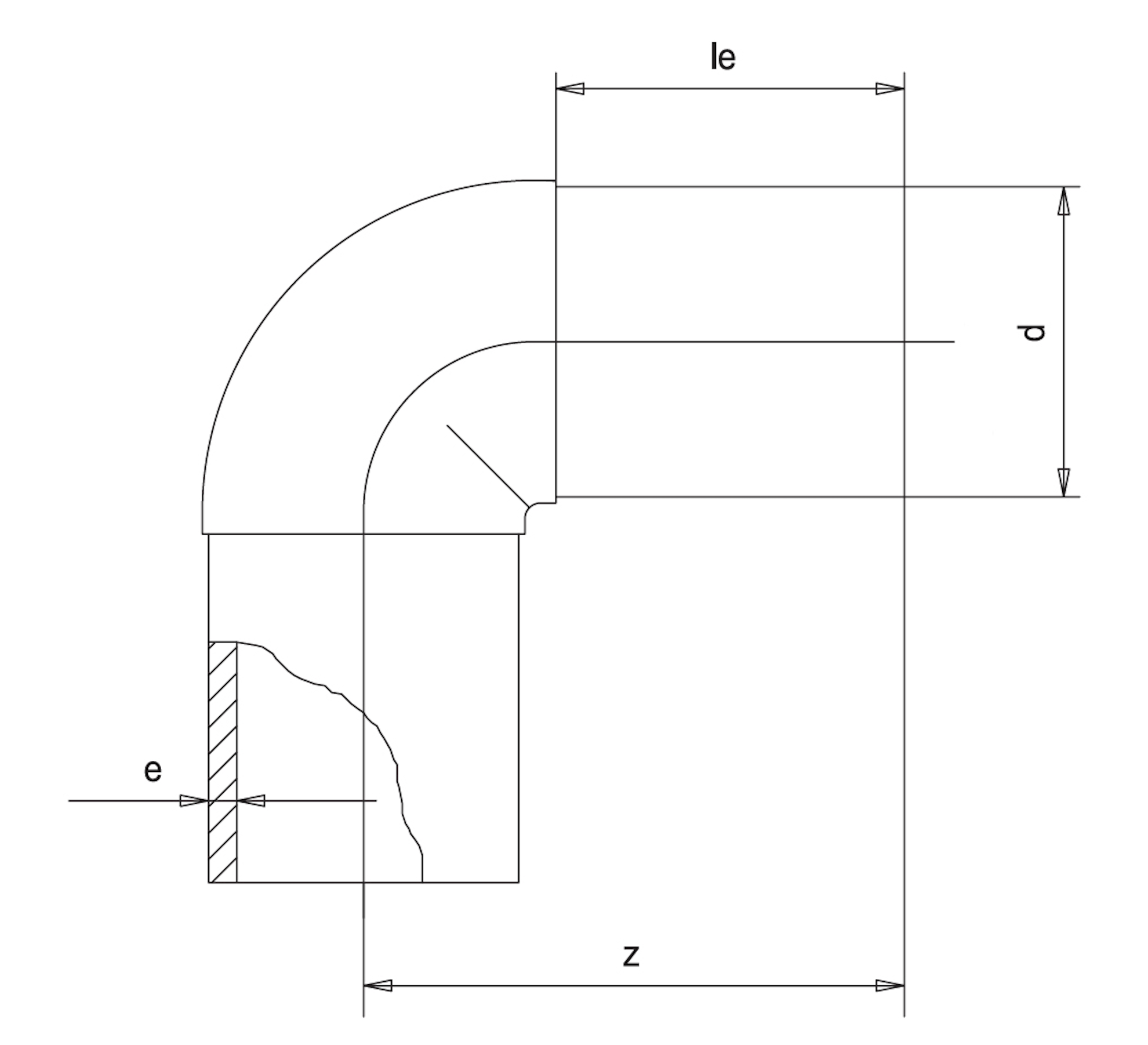
SDR 17 d (mm) 250 e (mm) 14,8 le1 (mm) 134 z1 (mm) 293 PN 10 Angle 90 Weight (kg) 7,8