Javascript seems to be disabled in your browser.You must have JavaScript enabled in your browser to utilize the functionality of this website.
Welcome Guest
Zoom
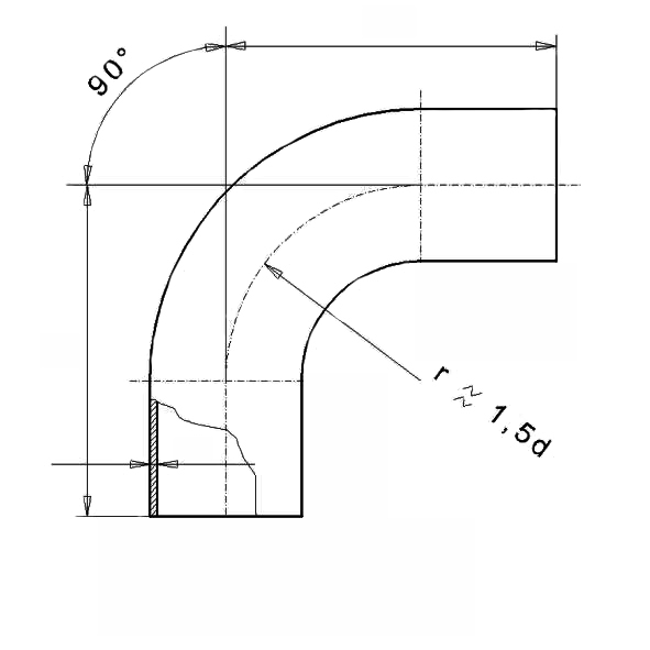
SDR 7,4 d (mm) 160 e (mm) 21,9 le1 (mm) 150 z1 (mm) 415 Angle 90 Weight (kg) 7,155