Javascript seems to be disabled in your browser.You must have JavaScript enabled in your browser to utilize the functionality of this website.
Welcome Guest
Zoom
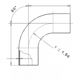
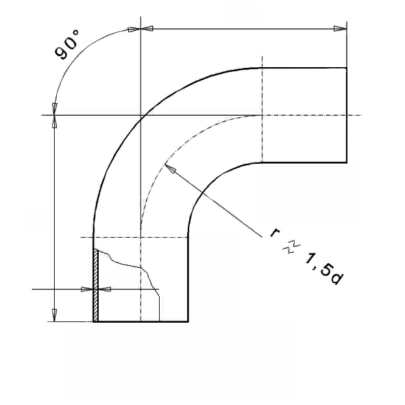
SDR 7,4d (mm) 225e (mm) 30,8le1 (mm) 150z1 (mm) 513Angle 90Weight (kg) 16,372