Javascript seems to be disabled in your browser.You must have JavaScript enabled in your browser to utilize the functionality of this website.
Welcome Guest
Zoom
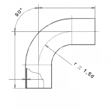
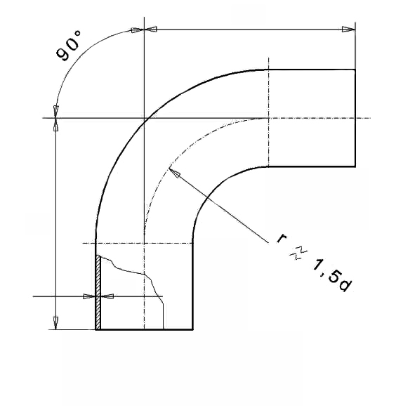
SDR 7,4 d (mm) 315 e (mm) 43,1 le1 (mm) 250 z1 (mm) 803 Angle 90 Weight (kg) 53