Javascript seems to be disabled in your browser.You must have JavaScript enabled in your browser to utilize the functionality of this website.
Welcome Guest
Zoom
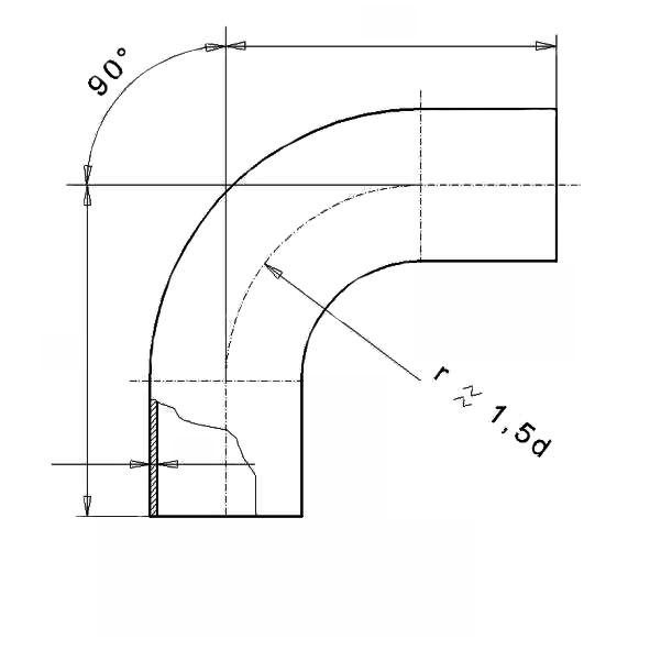
SDR 17 d (mm) 800 e (mm) 47,4 le1 (mm) 400 z1 (mm) 1550 Angle 90 Weight (kg) 312