Javascript seems to be disabled in your browser.You must have JavaScript enabled in your browser to utilize the functionality of this website.
Welcome Guest
Zoom
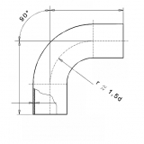
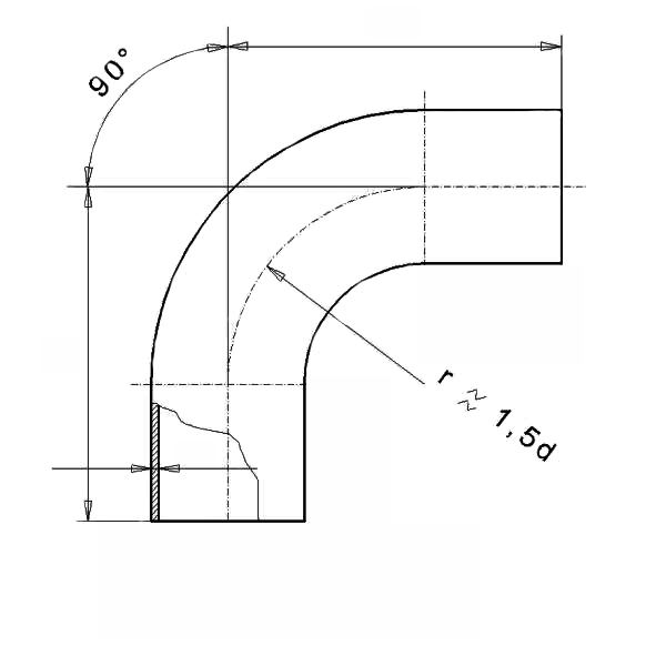
SDR 17 d (mm) 900 e (mm) 53,3 le1 (mm) 450 z1 (mm) 1750 Angle 90 Weight (kg) 428