Javascript seems to be disabled in your browser.You must have JavaScript enabled in your browser to utilize the functionality of this website.
Welcome Guest
Zoom
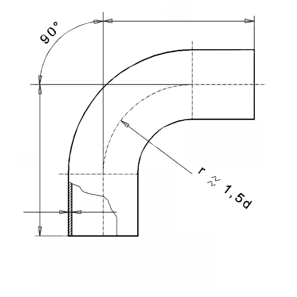
SDR 11 d (mm) 40 e (mm) 3,7 le1 (mm) 75 z1 (mm) 150 PN 16 Angle 90 Weight (kg) 0,14