Javascript seems to be disabled in your browser.You must have JavaScript enabled in your browser to utilize the functionality of this website.
Welcome Guest
Zoom
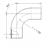
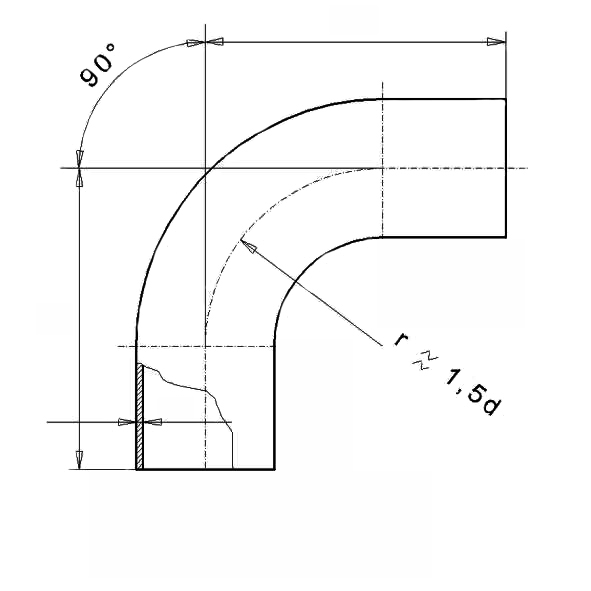
SDR 11 d (mm) 63 e (mm) 5,8 le1 (mm) 90 z1 (mm) 220 PN 16 Angle 90 Weight (kg) 0,45