Javascript seems to be disabled in your browser.You must have JavaScript enabled in your browser to utilize the functionality of this website.
Welcome Guest
Zoom
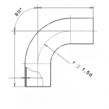
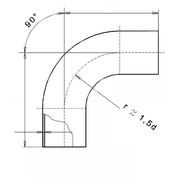
SDR 11 d (mm) 250 e (mm) 22,7 le1 (mm) 250 z1 (mm) 650 PN 16 Angle 90 Weight (kg) 18,7