Javascript seems to be disabled in your browser.You must have JavaScript enabled in your browser to utilize the functionality of this website.
Welcome Guest
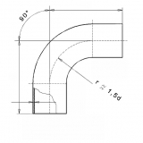
Zoom
SDR 11 d (mm) 355 e (mm) 32,2 le1 (mm) 300 z1 (mm) 900 PN 16 Angle 90 Weight (kg) 50,7