Javascript seems to be disabled in your browser.You must have JavaScript enabled in your browser to utilize the functionality of this website.
Welcome Guest
Zoom
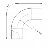
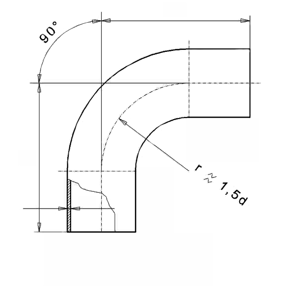
SDR 17 d (mm) 50 e (mm) 3 le1 (mm) 80 z1 (mm) 195 PN 10 Angle 90 Weight (kg) 0,17