Javascript seems to be disabled in your browser.You must have JavaScript enabled in your browser to utilize the functionality of this website.
Welcome Guest
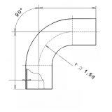
Zoom
SDR 17 d (mm) 180 e (mm) 10,7 le1 (mm) 150 z1 (mm) 445 PN 10 Angle 90 Weight (kg) 4,9