Javascript seems to be disabled in your browser.You must have JavaScript enabled in your browser to utilize the functionality of this website.
Welcome Guest
Zoom
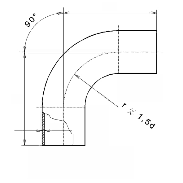
SDR 17 d (mm) 280 e (mm) 16,6 le1 (mm) 250 z1 (mm) 695 PN 10 Angle 90 Weight (kg) 17,1