Javascript seems to be disabled in your browser.You must have JavaScript enabled in your browser to utilize the functionality of this website.
Welcome Guest
Zoom
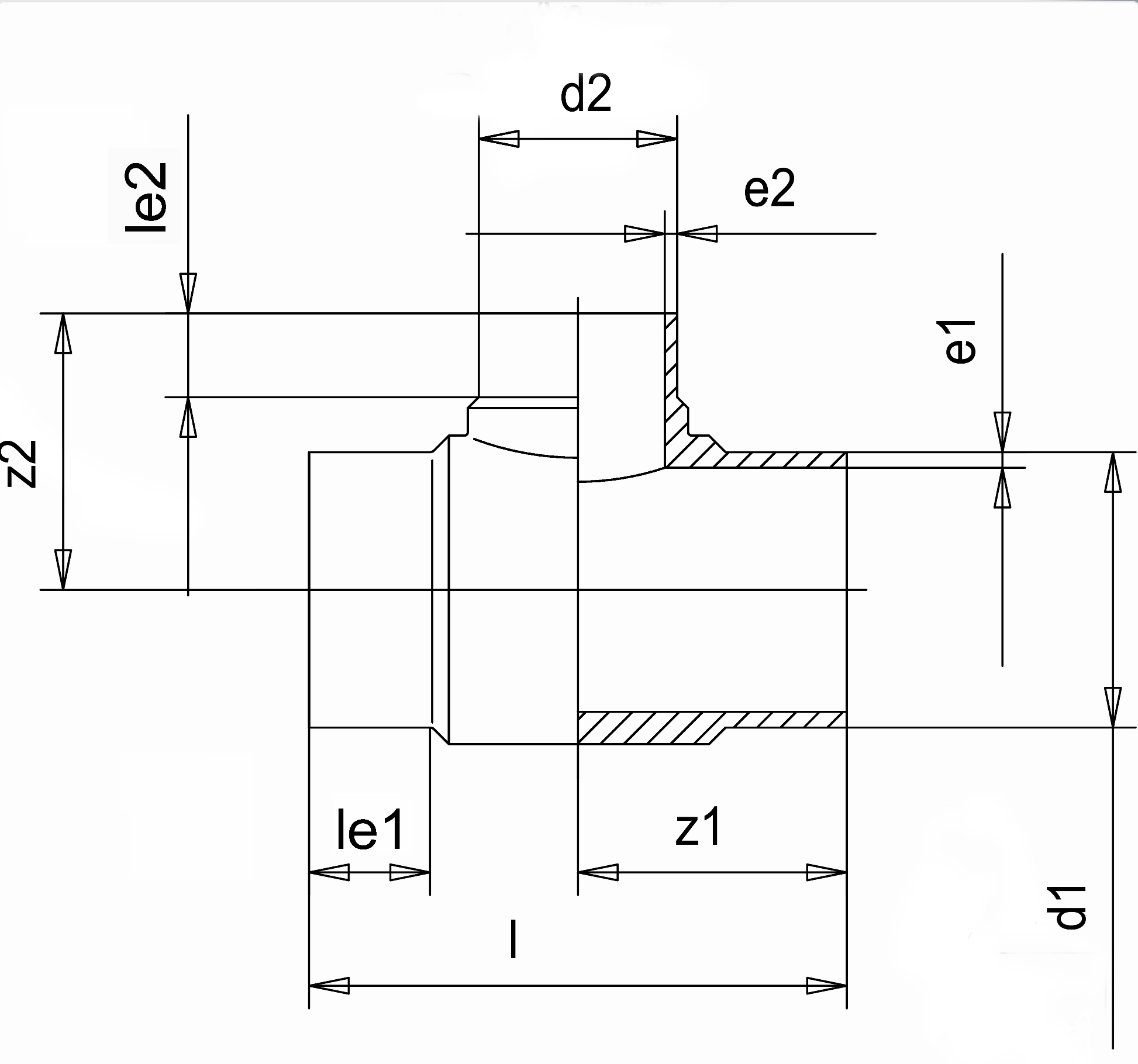
SDR 11 d1 (mm) 225 d2 (mm) 75 e (mm) 20,5 e2 (mm) 6,8 le1 (mm) 129 le2 (mm) 73 z1 (mm) 280 z2 (mm) 219 Length (mm) 560 Weight (kg) 9,75