Javascript seems to be disabled in your browser.You must have JavaScript enabled in your browser to utilize the functionality of this website.
Welcome Guest
Zoom
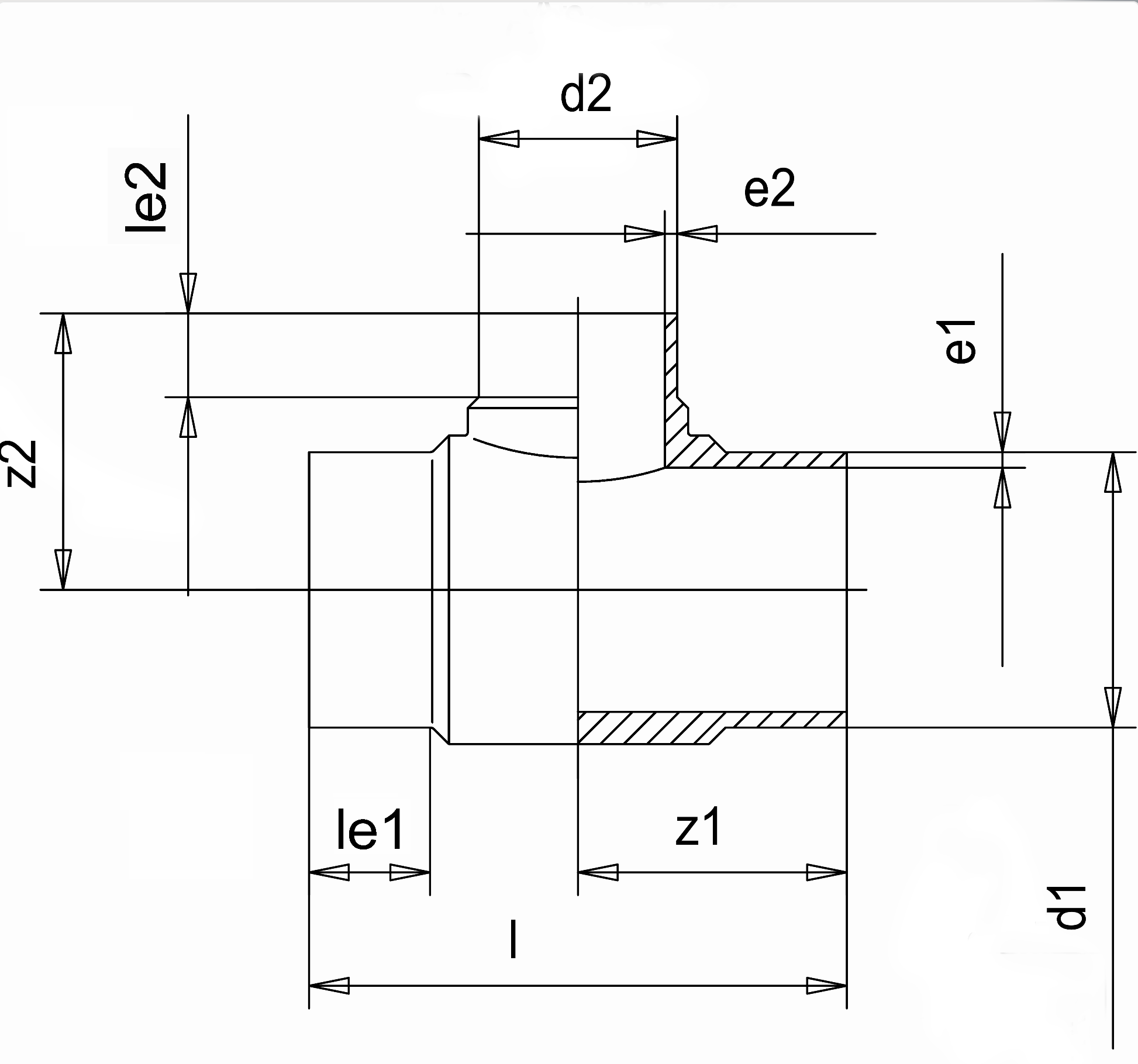
SDR 17 d1 (mm) 225 d2 (mm) 110 e (mm) 13,4 e2 (mm) 6,6 le1 (mm) 130 le2 (mm) 86 z1 (mm) 277 z2 (mm) 236 Length (mm) 556 Weight (kg) 7,15