Javascript seems to be disabled in your browser.You must have JavaScript enabled in your browser to utilize the functionality of this website.
Welcome Guest
Zoom
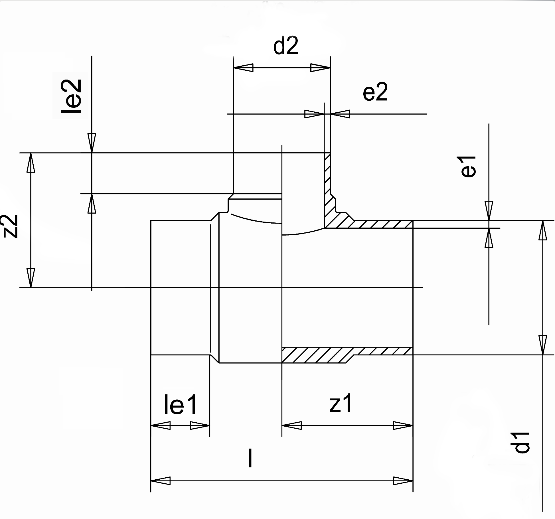
SDR 11 d1 (mm) 315 d2 (mm) 250 e (mm) 28,6 e2 (mm) 22,7 le1 (mm) 154 le2 (mm) 135 z1 (mm) 346 z2 (mm) 331 Length (mm) 695 Weight (kg) 24,345