Javascript seems to be disabled in your browser.You must have JavaScript enabled in your browser to utilize the functionality of this website.
Welcome Guest
Zoom
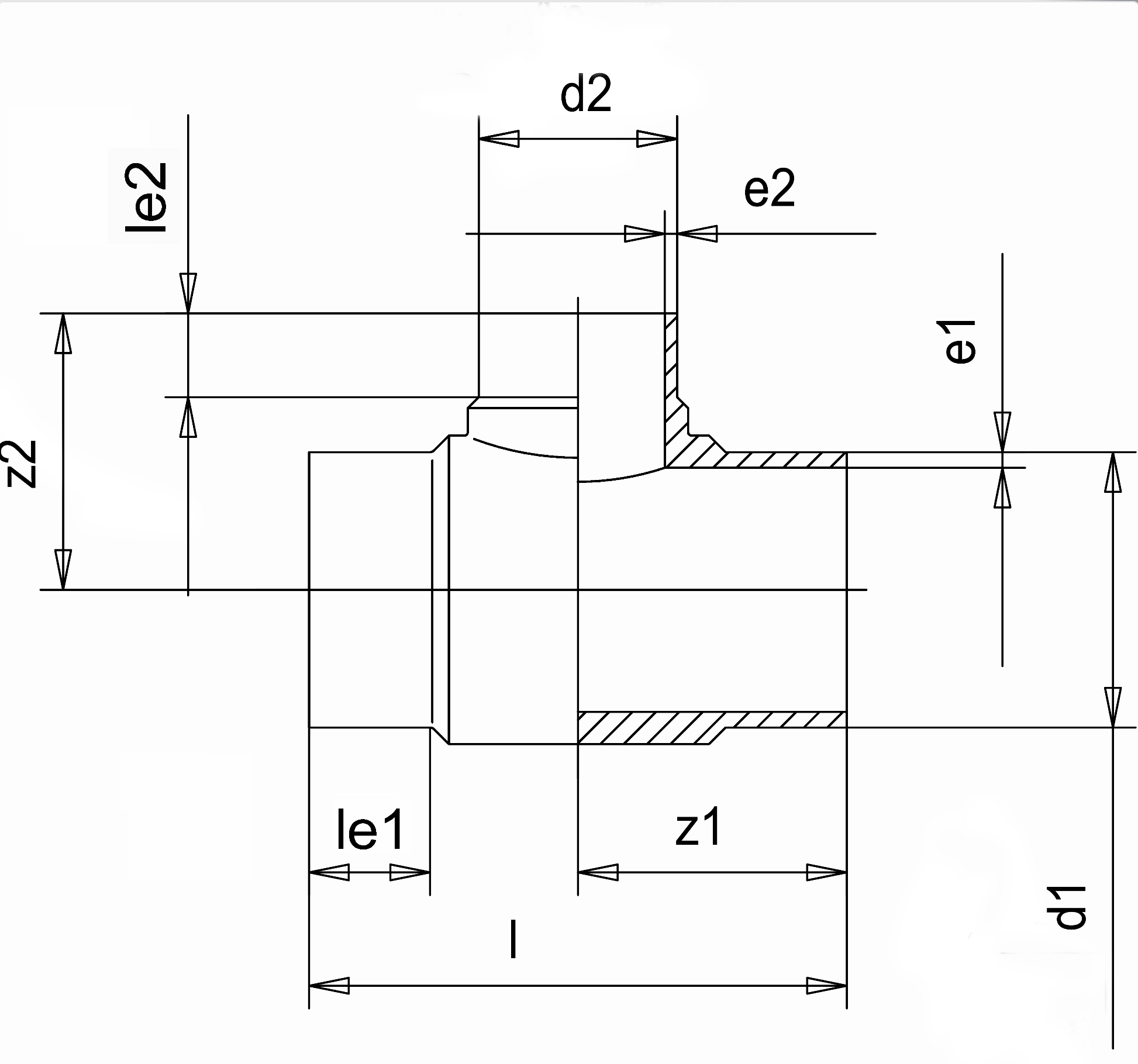
SDR 11 d1 (mm) 250 d2 (mm) 160 e (mm) 22,7 e2 (mm) 14,6 le1 (mm) 134 le2 (mm) 102 z1 (mm) 292 z2 (mm) 266 Length (mm) 586 Weight (kg) 12,18