Javascript seems to be disabled in your browser.You must have JavaScript enabled in your browser to utilize the functionality of this website.
Welcome Guest
Zoom
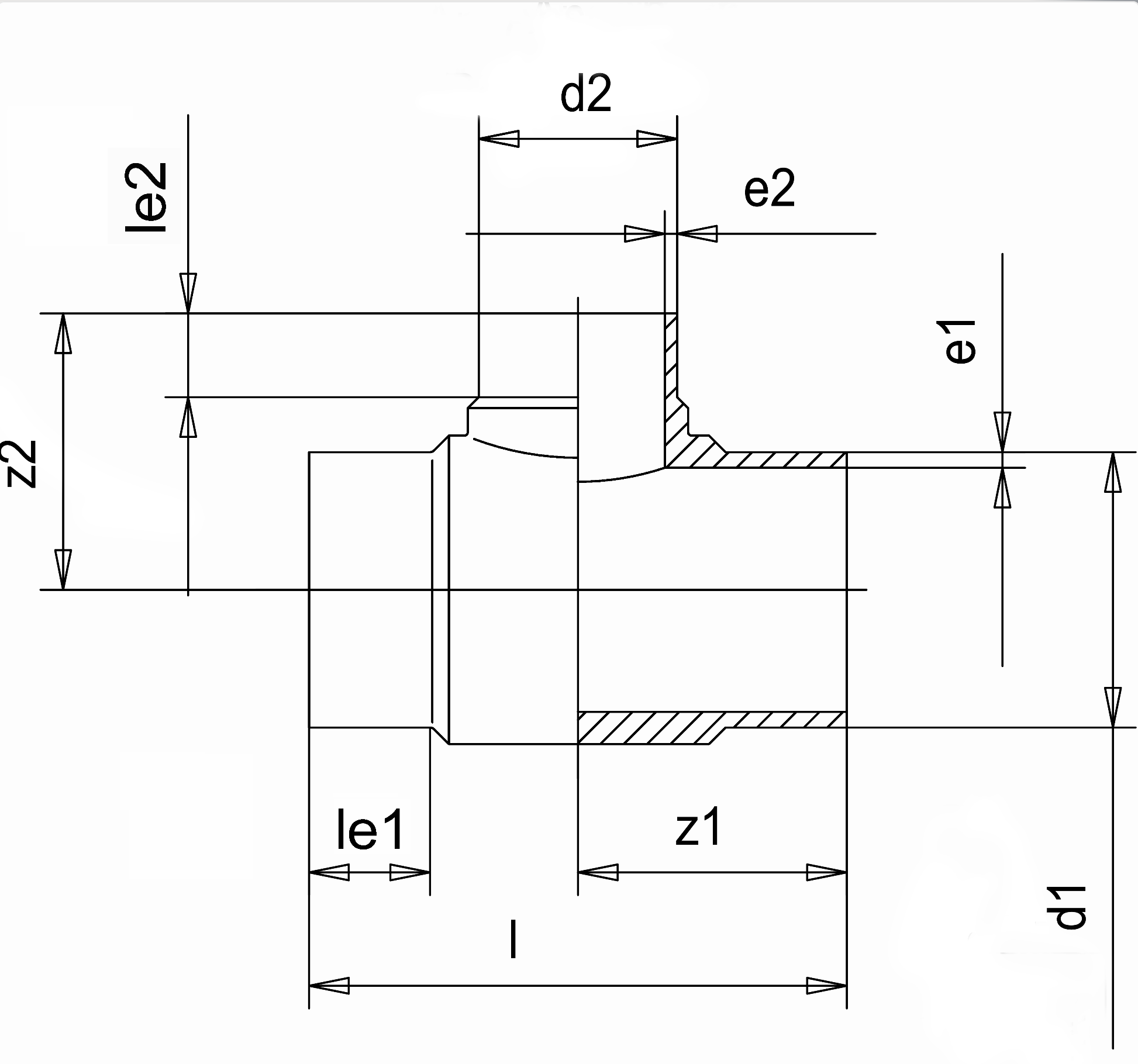
SDR 17 d1 (mm) 200 d2 (mm) 90 e (mm) 11,9 e2 (mm) 5,4 le1 (mm) 125 le2 (mm) 82 z1 (mm) 253 z2 (mm) 216 Length (mm) 504 Weight (kg) 5,015