Javascript seems to be disabled in your browser.You must have JavaScript enabled in your browser to utilize the functionality of this website.
Welcome Guest
Zoom
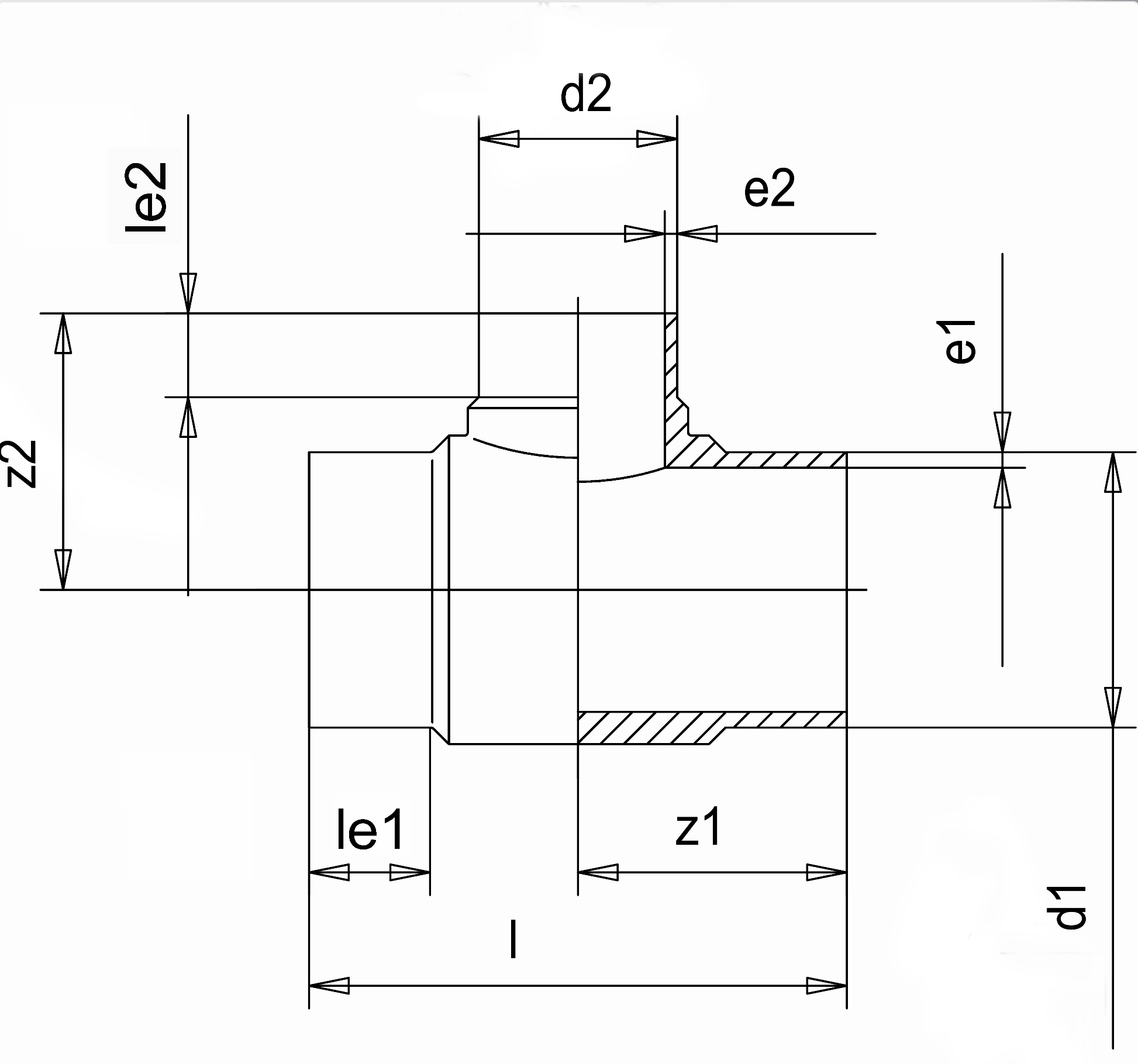
SDR 17 d1 (mm) 315 d2 (mm) 110 e (mm) 18,7 e2 (mm) 6,6 le1 (mm) 155 le2 (mm) 84 z1 (mm) 350 z2 (mm) 277 Length (mm) 699 Weight (kg) 15,86