Javascript seems to be disabled in your browser.You must have JavaScript enabled in your browser to utilize the functionality of this website.
Welcome Guest
Zoom
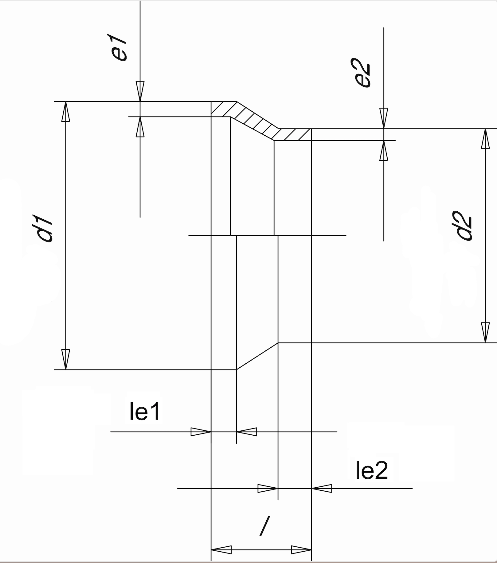
SDR 11 d1 (mm) 500 d2 (mm) 315 e (mm) 45,5 e2 (mm) 28,7 le1 (mm) 71 le2 (mm) 40 Length (mm) 170 Weight (kg) 12