Javascript seems to be disabled in your browser.You must have JavaScript enabled in your browser to utilize the functionality of this website.
Welcome Guest
Zoom
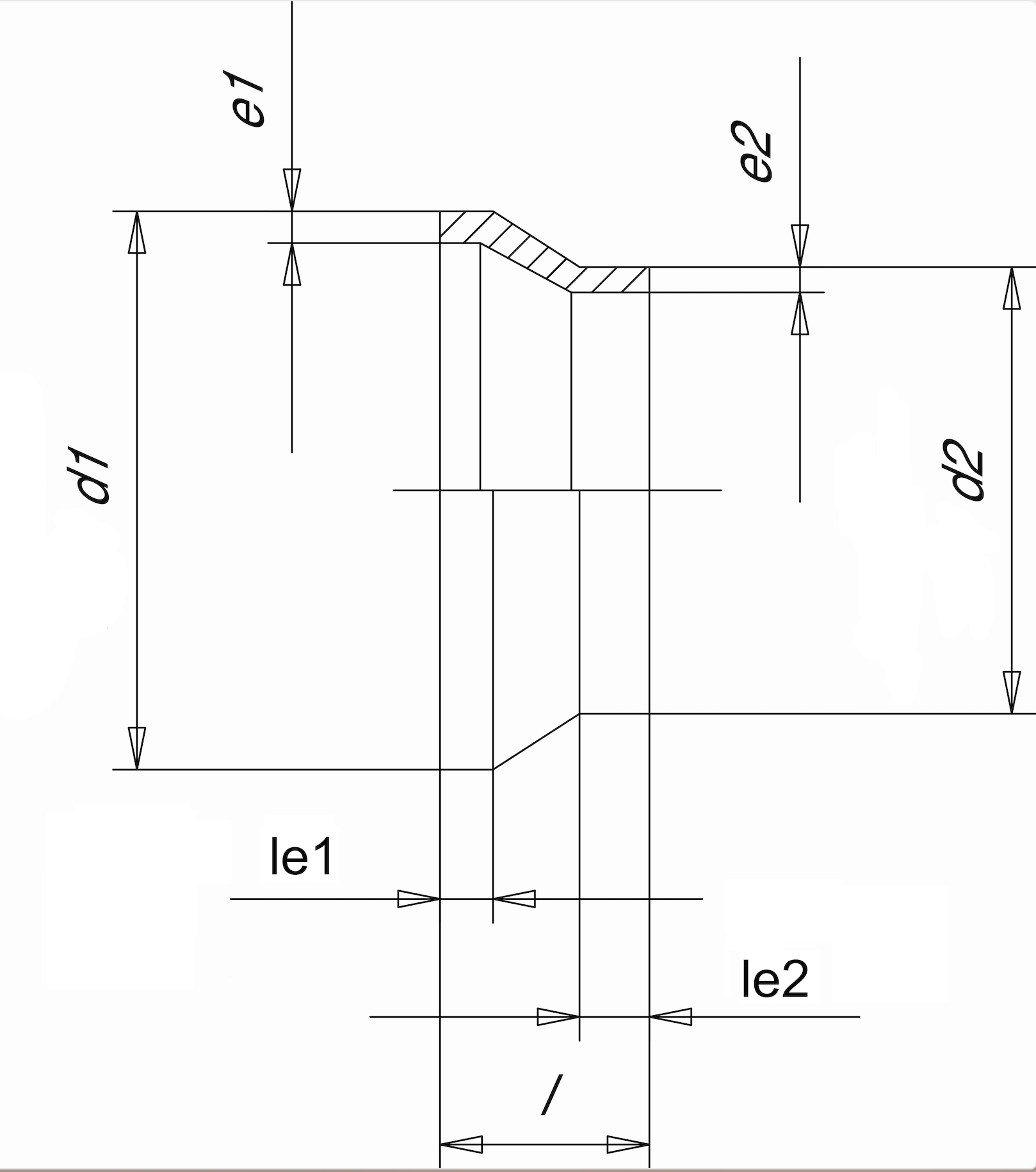
SDR 11 d1 (mm) 200 d2 (mm) 160 e (mm) 18,2 e2 (mm) 14,6 le1 (mm) 63 le2 (mm) 54 Length (mm) 145 Weight (kg) 1,34