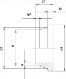
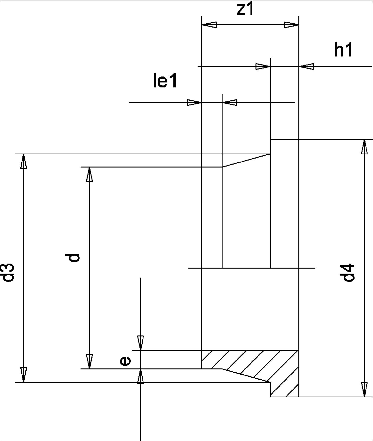
STUB FLANGE FOR ISO/DIN/AS INJECTED SHORT SPIGOT PE 100 SDR11 630

Product Code: 8100502

To top