Javascript seems to be disabled in your browser.You must have JavaScript enabled in your browser to utilize the functionality of this website.
Welcome Guest
Zoom
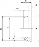
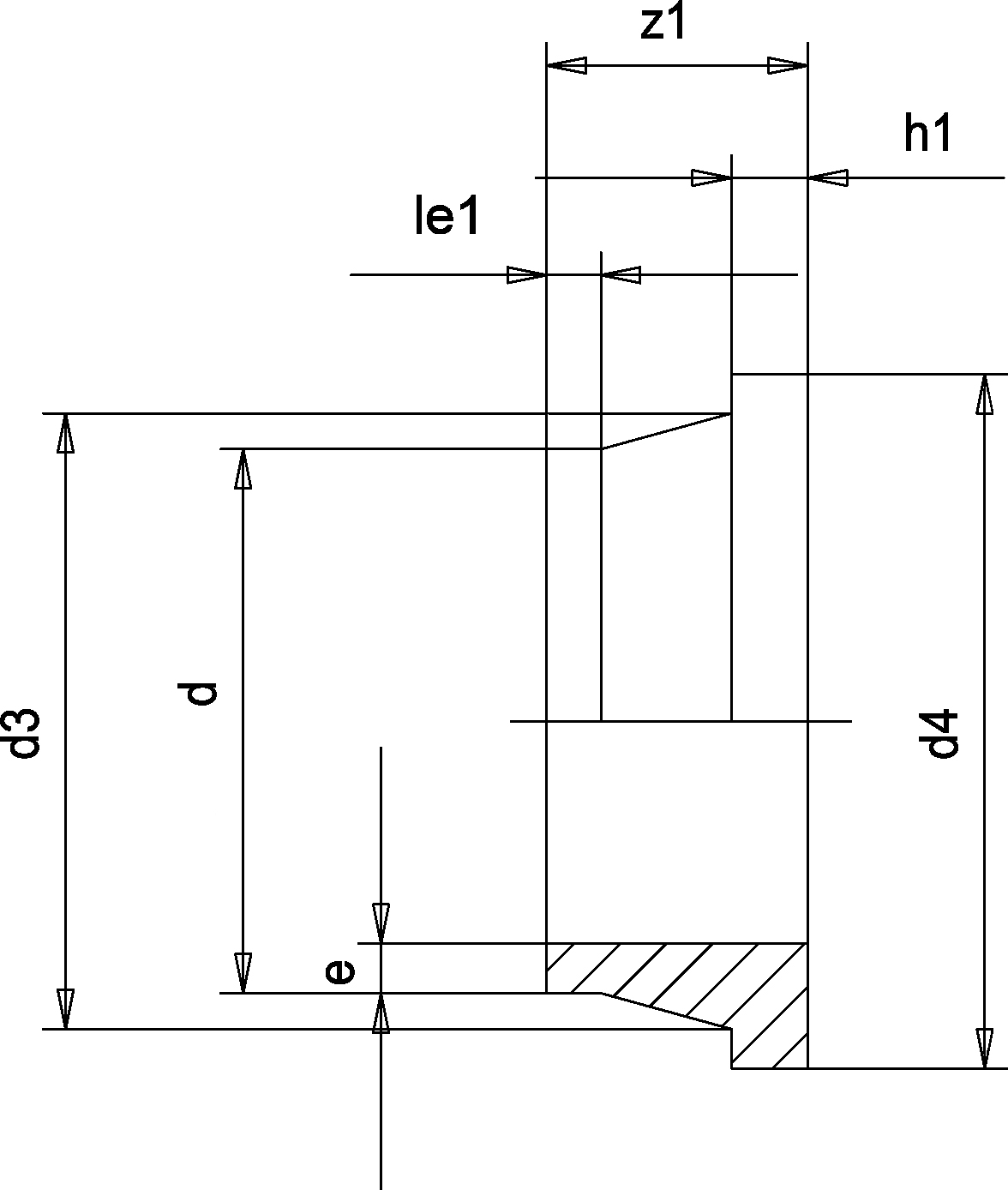
SDR 17 d (mm) 900 e (mm) 53,353,3944 d4 (mm) 1005 le1 (mm) 50 z1 (mm) 155 h1 (mm) 58