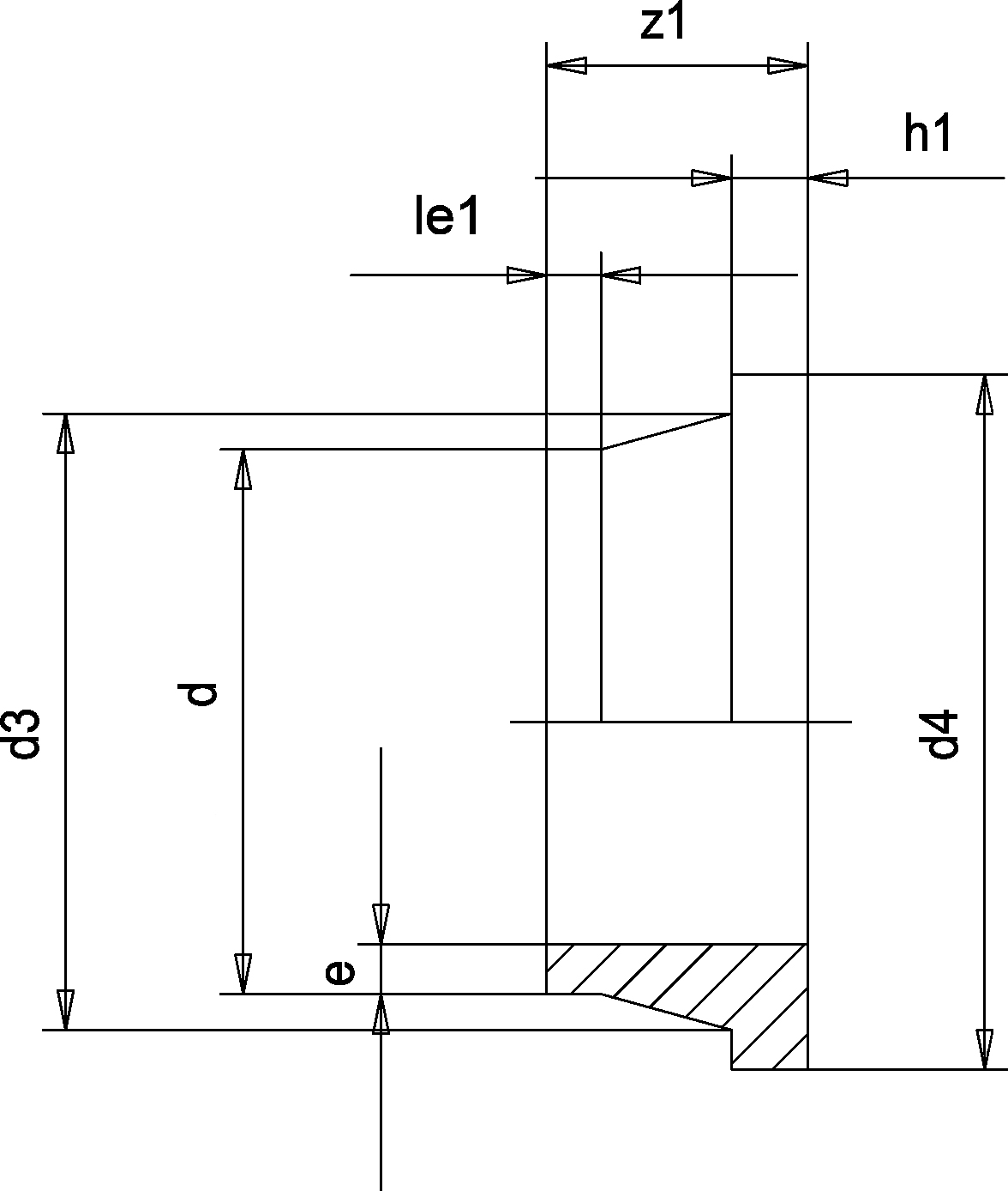
STUB FLANGE FOR ISO/DIN/AS MACHINED SHORT SPIGOT PE 100 SDR17 1100

Product Code: 8100507

To top