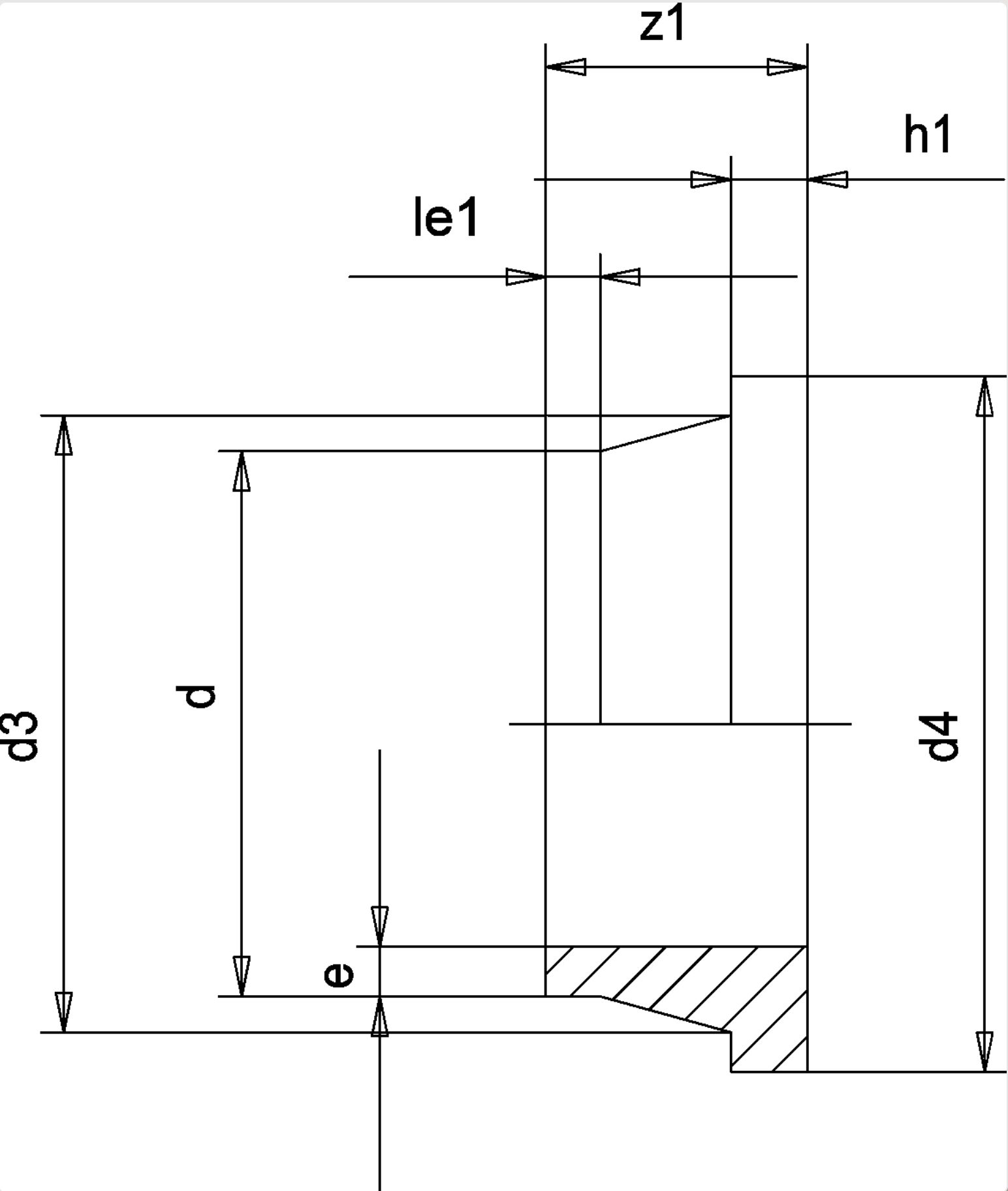
STUB FLANGE FOR ISO/DIN/AS INJECTED SHORT SPIGOT PE 100 SDR11 50

Product Code: 8106013

To top