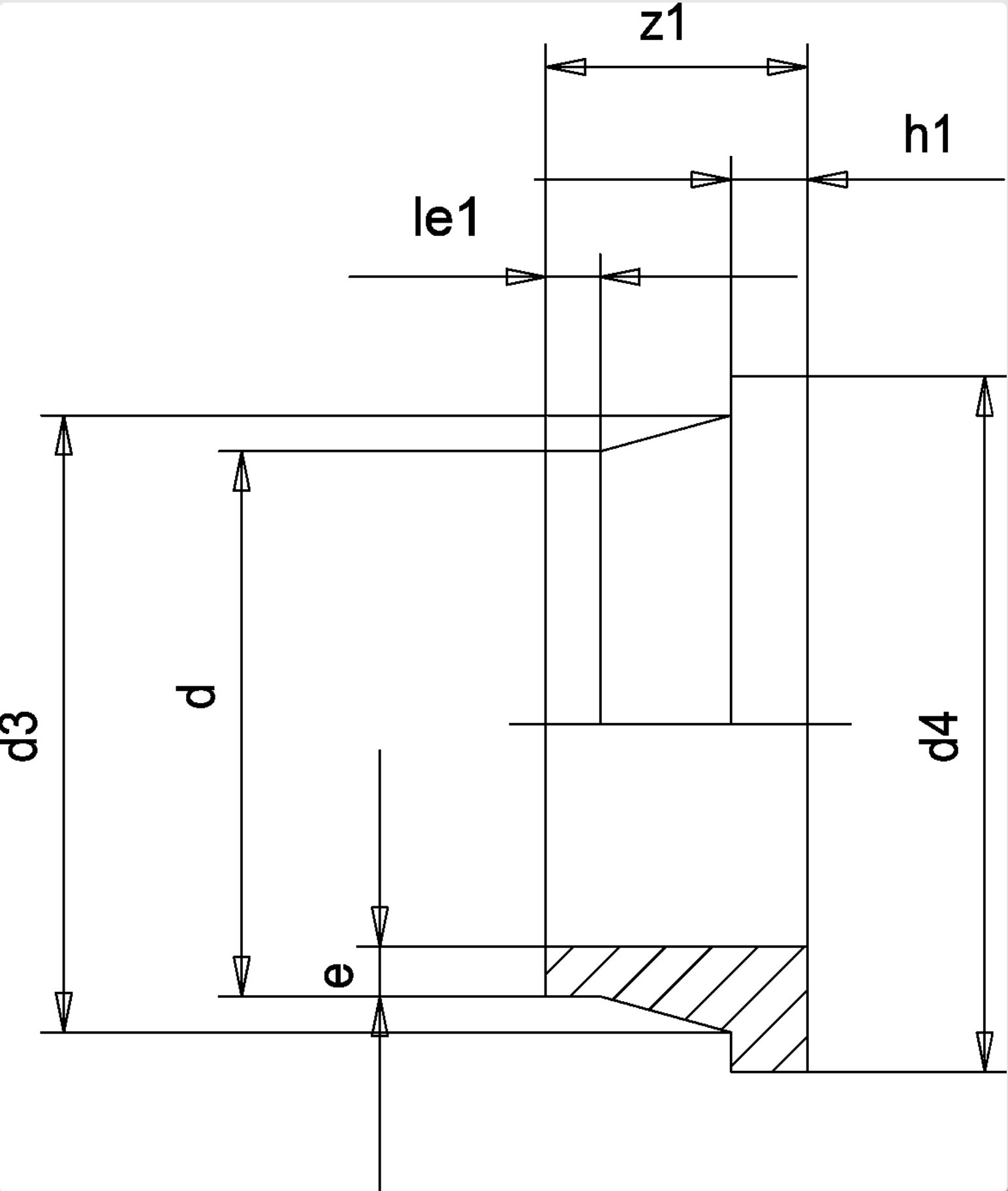
STUB FLANGE FOR ISO/DIN/AS INJECTED SHORT SPIGOT PE 100 SDR11 63

Product Code: 8106014

To top