Javascript seems to be disabled in your browser.You must have JavaScript enabled in your browser to utilize the functionality of this website.
Welcome Guest
Zoom
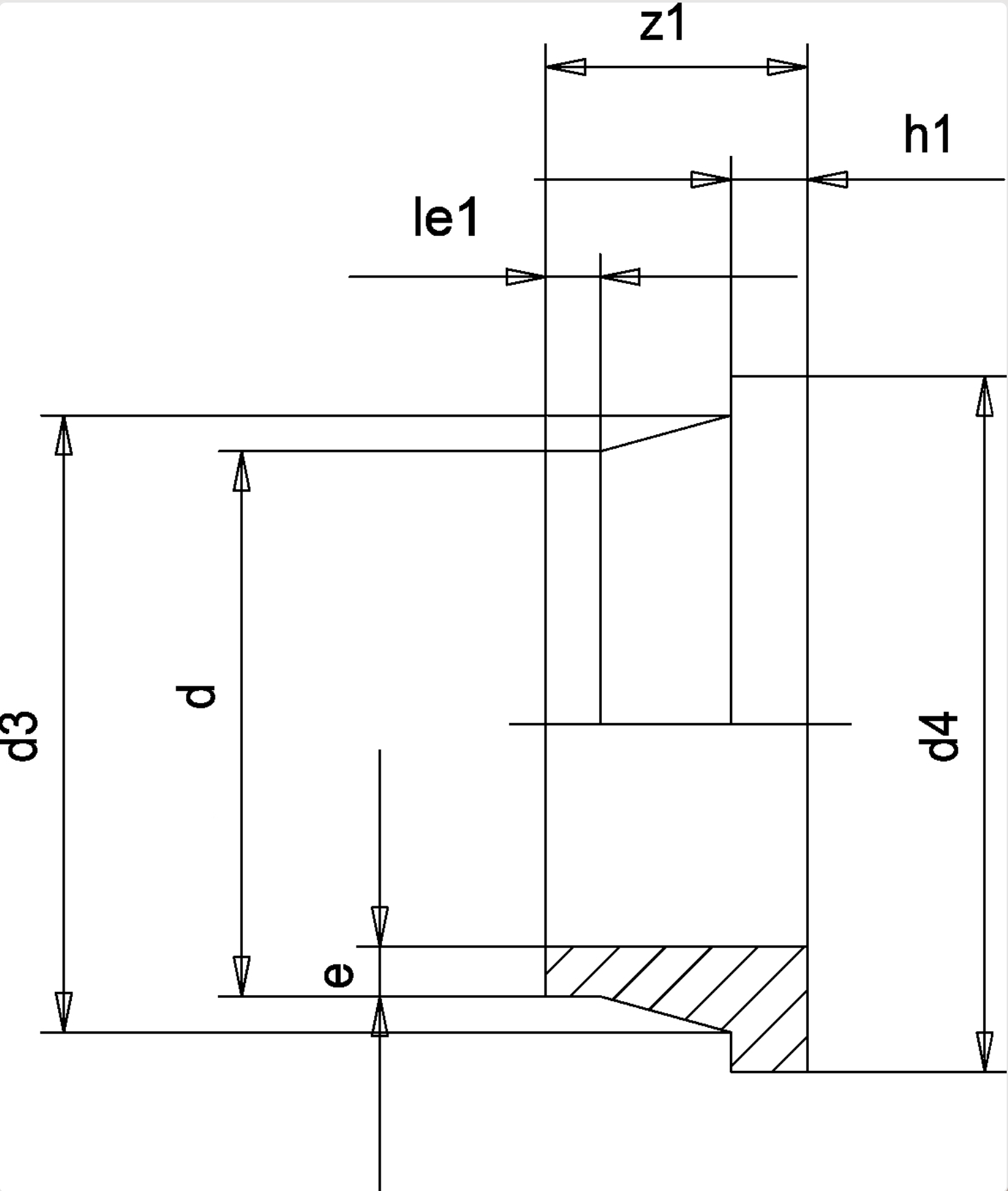
SDR 11 d (mm) 355 e (mm) 32,232,2373 d4 (mm) 430 le1 (mm) 100 z1 (mm) 187 h1 (mm) 40 PN 16 Weight (kg) 8,12