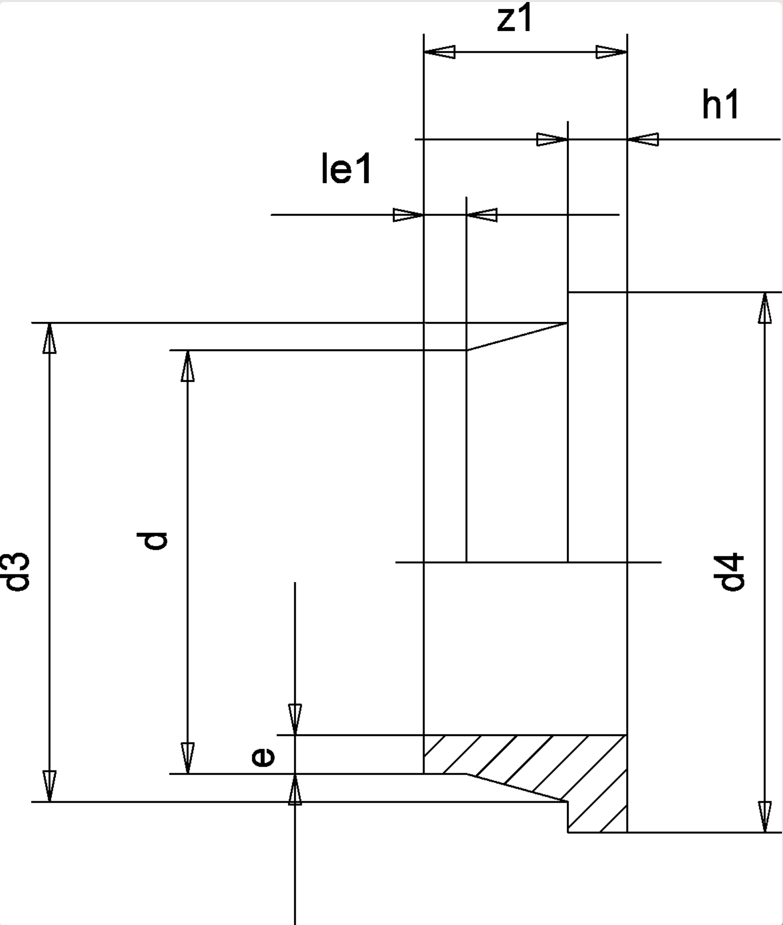
STUB FLANGE FOR ISO/DIN/AS INJECTED SHORT SPIGOT PE 100 SDR17 90

Product Code: 8106034

To top